



Pumping Speed |
140L/min |
|---|---|
Ultimate Pressure |
≤ 5X10-3 Torr |
Motor Power |
400W(0.5hp) |
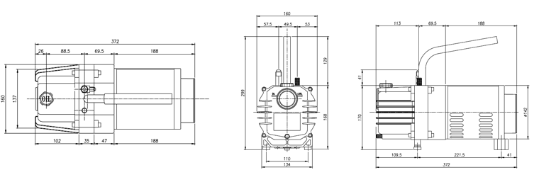
Specifications
| Pumping Speed | 140ℓ/min | |
|---|---|---|
| Ultimate Pressure | Gas Ballast Open | 5X10 -2 Torr ( 6.7 Pa ) |
| Gas Ballast Closed | 5X10 -3 Torr ( 6.7 X 10 -1 Pa) | |
| Power Input | Standard | 220VAC 1Ф 50/60Hz |
| Option I | 110VAC 1Ф 50/60Hz | |
| Option II | Customer’s Request (Voltage, Frequency) | |
| Full load Power | 0.4kW (0.5 HP) | |
| Motor Speed | 1,700 rpm | |
| Inlet | Standard | 1/4” and 3/8” T-type |
| Option I | 1/4” and 3/8” Cross type | |
| Option II | 3/8” Stand type | |
| Weight | 14.7kg | |
| Oil Capacity | 600cc (0.6ℓ) | |
| Ambient Operation Temp. | 7~40°C / 45~104°F | |
| Overall Dimension(mm) | 160x397x297 (unit : mm) | |
Pumping Curve
Accessories applicable
Only available
when replacing Handle/Tee
with NW25